TERVEZZ. EGYSZERŰEN.
Szerelvény elhelyezési rajzok készítése alaprajzokon, elosztószekrények egyvonalas rajzainak készítése és vezérlőszekrények tervezése - mindez a böngészőben, letöltések nélkül.
12k+
terv, amelyeket mérnökök és villanyszerelők készítettek Európa-szerte
47%
-kal gyorsabb tervezés a hagyományos CAD eszközökhöz képest
25k+
felhasználó, akik online terveznek projekteket, bárhonnan, bármikor
BEMUTATÓ
PRÓBÁLD KI A CTRLPlan EREJÉT A GYAKORLATBAN
Fedezd fel a valós bemutató terveket - az alaprajztól kezdve az elosztószekrényen át a vezérlőszekrény diagramokig. Teszteld az eszközöket, próbáld ki a funkciókat, regisztráció nélkül.
Demo Floor Plan
Szerelvény elhelyezés alaprajzon
Fogd és vidd az elektromos komponenseket az épület alaprajzára - ideális lakó- és kereskedelmi installációkhoz.
Demo Floor Plan
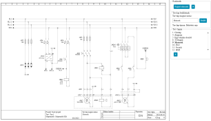
Egyvonalas elektromos rajz
Készíts egyvonalas rajzokat gyorsan és egyszerűen - ideális elosztószekrényekhez, épületvillamossági projektekhez
Demo Floor Plan
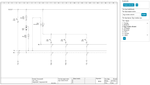
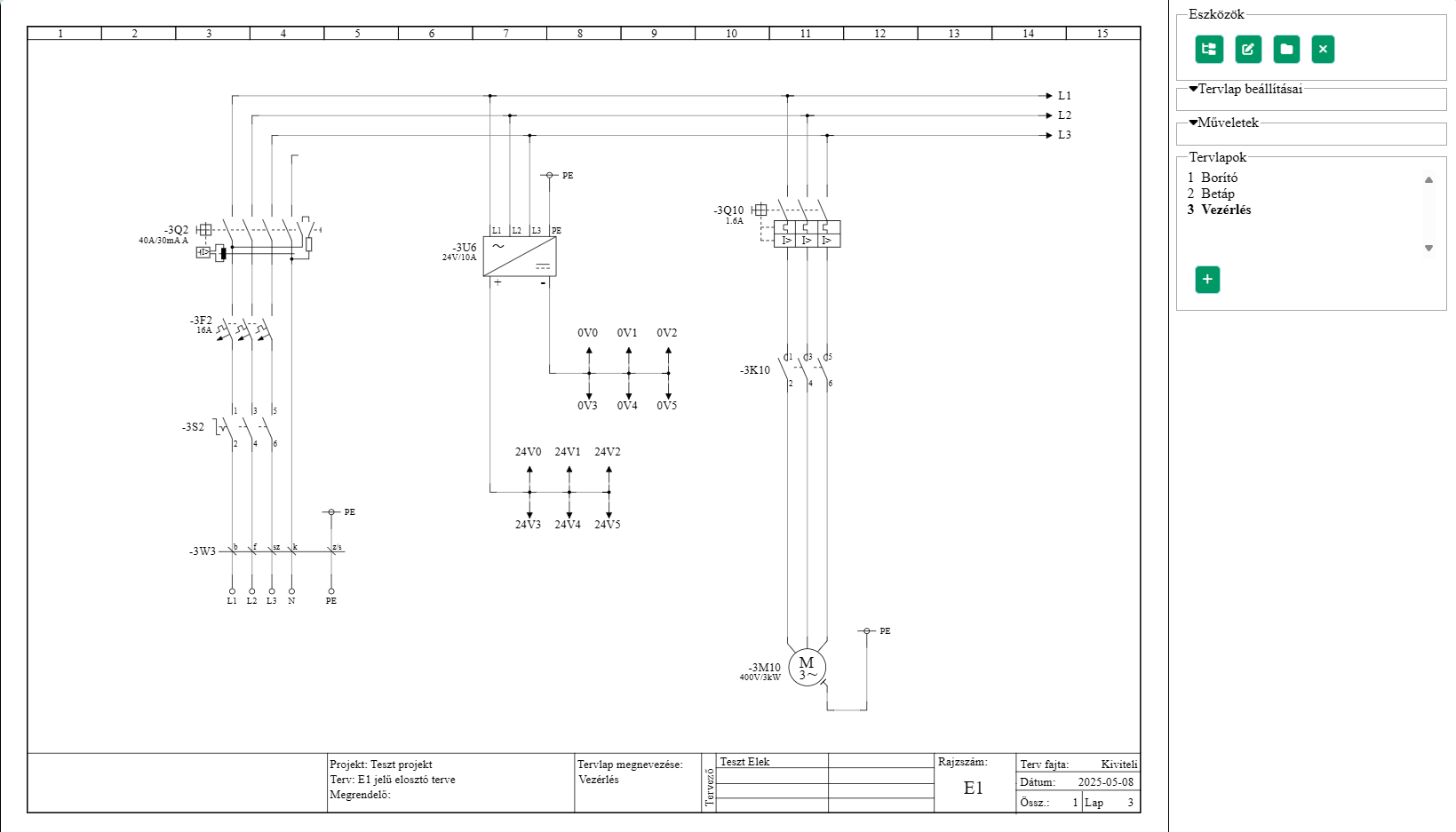
Többvonalas elektromos rajz
Készíts részletes, többvonalas rajzokat összetett vezérlőszekrényekhez, automatizálási rendszerekhez és gyártósorokhoz.
RÓLUNK
SZAKEMBEREKNEK, AKINEK FONTOS A GYORSASÁG
A CTRLPlan egy web-alapú elektromos tervező alkalmazás, amelyet mind az épületvillamossági, mind az ipari vezérlőrendszerek tervezésére szabtak. Felhasználóbarát felületet kínál, amely bárhonnan elérhető, bonyolult telepítések nélkül.
 
100+
csapat használja a CTRLPlan-t a csoport szakemberei közötti együttműködésre
 
70%-a
a felhasználóknak arról számolt be, hogy a projekteket rövidebb idő alatt fejezik be, mint korábban
 
99,6%
rendelkezésre állás biztosítja, hogy a terveid mindig elérhetők legyenek
CTRLPlan screenshot
MIT KÍNÁLUNK NEKED?
MIÉRT VÁLASZTJÁK SZAKEMBEREK A CTRLPlan-T
A CTRLPlan funkciók széles skáláját kínálja, amire szükséged van a tervezéshez - közvetlenül a böngésződből.
Tervezés bárhol
Tervek létrehozása és szerkesztése bármely számítógépről - nincs szükség szoftvertelepítésre.
Minden egyben eszköz
Szerelvényelhelyezés alaprajzokon, elosztószekrények és vezérlőrendszerek kezelése egyetlen munkaterületen.
Gyorsabb átfutási idő
Gyorsítsd fel a tervezési folyamatot intelligens eszközökkel és újrahasználható makrókkal.
Valós idejű hozzáférés
A tervek mindig elérhetők online - többé nincs elveszett fájl vagy elavult verzió.
Csapatbarát
Együttműködés kollégákkal vagy ügyfelekkel a tervek megosztásával és QR-kódok nyomtatásával.
Minden projekt méretre skálázható
A CTRLPlan alkalmazkodik az igényeidhez, legyen szó épületvillamossági telepítésekről vagy ipari rendszerekről.
ÁRAZÁS
RUGALMAS CSOMAGOK MINDEN PROJEKTHEZ
Akár egyetlen otthon tervezéséről, akár összetett ipari rendszerek kezeléséről van szó, a CTRLPlan rendelkezik díjcsomaggal, amely illeszkedik a munkafolyamatodhoz és a költségvetésedhez.
Standard
€7,50 + ÁFA / hónap
Tökéletes kis épület szerelvényezési projektekhez és elosztószekrényekhez.
Funkciók:
  • 1 felhasználó
  • Korlátlan számú projekt
  • 1 terv minden projektben
  • 5 oldal minden tervben
(12 hónapos előfizetés, vagy €9 + ÁFA / hónap, ha havonta fizetsz)
Pro
€16 + ÁFA / hónap
Ideális összetett épületek elektromos tervezéséhez, vagy nagy ipari gépek vezérlőszekrényeihez.
Funkciók:
  • 1 felhasználó
  • Korlátlan számú projekt
  • Korlátlan számú terv minden projektben
  • Korlátlan számú oldal minden tervben
  • Ügyfélszolgálat a rendszer használatával kapcsolatos kérdésekhez
(12 hónapos előfizetés, vagy €19 + ÁFA / hónap, ha havonta fizetsz)
Enterprise
€32 + ÁFA / hó / felhasználó
Ideális nagy cégek és munkacsoportok projektjeinek tervezéséhez.
Funkciók:
  • Együttműködés több felhasználóval
  • Korlátlan számú terv minden projektben
  • Korlátlan számú oldal minden tervben
  • Prioritásos ügyfélszolgálat válaszidő egy munkanapon belül
  • Csak olvasható tervek megosztása QR-kódos linkkel, amely a vezérlőszekrényen elhelyezhető, mobilról megnyitható
(12 hónapos előfizetés, vagy €38 + ÁFA / hó felhasználónként, ha havonta fizetsz)
GYIK
KÉRDÉSEK, MELYEKET A FELHASZNÁLÓINK FELTESZNEK
További kérdéseid vannak?
Az alábbi elérhetőségeken keresztül léphetsz velünk kapcsolatba
+36 30 169 1492
Igen, a CTRLPlan-t úgy tervezték, hogy támogassa mind az épületek, mind az ipari elektromos tervezési igényeket. Tervezhetsz eszközelrendezéseket és vezetékezést a padlóterveken, valamint létrehozhatsz egyvonalas és többsoros diagramokat az elosztószekrényekhez és vezérlőszekrényekhez is.
Nem, a CTRLPlan egy webalapú alkalmazás. Közvetlenül a böngésződből érheted el, letöltések vagy telepítések nélkül.
Nem, a CTRLPlan nem kínál ingyenes próbaidőszakot. Azonban kipróbálhatod a demó oldalainkat, regisztráció nélkül, hogy lásd, hogyan működik az alkalmazás.
A Pro és Enterprise csomagokhoz ügyfélszolgálatot biztosítunk, ahol kérdéseket tehetsz fel a rendszer használatával kapcsolatban. Kapcsolatba léphetsz velünk egy hibajegy megnyitásával.
Igen, a CTRLPlan YouTube csatornáján elérhetők oktatóvideók, amelyek bemutatják az alkalmazás használatát és funkcióit. Ezek a videók segítenek megismerni a CTRLPlan-t és a benne rejlő lehetőségeket.
Igen, a CTRLPlan támogatja a csapatmunkát. Az Enterprise csomag használatával láthatod kollégáid munkáját, együtt dolgozhattok projekteken, és megoszthatjátok a makrókat a csapatoddal. Ezen a csomagon belül QR-kódokat is generálhatsz az olvasásra megosztott tervekhez, amelyeket például a vezérlőszekrényen helyezhetsz el, hogy a dokumentáció könnyen hozzáférhető legyen.
Igen, minden projekted online mentésre kerül a CTRLPlan-ban. Valahányszor megváltoztatsz bármilyen részt a terveidben, az automatikusan mentésre kerül online. Bármely eszközről, amely internetkapcsolattal rendelkezik, hozzáférhetsz a terveidhez, biztosítva, hogy azok mindig elérhetők és naprakészek legyenek.
Online szolgáltatásunk az Európai Unió területén elhelyezett szervereken fut, és elkötelezettek vagyunk az adataid magas szintű védelme iránt. Fiókodat hardver alapú hozzáférési kulcsokkal biztosíthatod, és használhatod a Google vagy Microsoft fiókodat az azonosításhoz. Ha azonban konkrét biztonsági követelmények merülnek fel, amelyek telephelyeden telepíthető megoldást igényelnek, azt is meg tudjuk oldani. Kérjük, vedd fel a kapcsolatot értékesítési csapatunkkal, hogy megbeszélhessük az igényeidet, és együtt dolgozunk egy olyan biztonságos környezet kialakításán, amely megfelel az elvárásaidnak.
VÁGJ BELE
A HATÉKONY ELEKTROMOS TERVEZÉS ITT KEZDŐDIK
A CTRLPlan segítségével gyorsan és egyszerűen tervezhetsz elektromos rendszereket, legyen szó lakóépületekről vagy ipari vezérlőrendszerekről. Csatlakozz még ma, és tapasztald meg a hatékonyságot!
A CTRLPlan egy hatékony, webalapú eszköz gyors és rugalmas elektromos tervezéshez – szakemberek számára, akik épületvillamosság vagy ipari vezérlőrendszerek területén dolgoznak.
Minden jog fenntartva © 2025 AA ENGINEERING Kft.